All Categories
SMA Series

Home /  Products /  RF Connector /  SMA Series

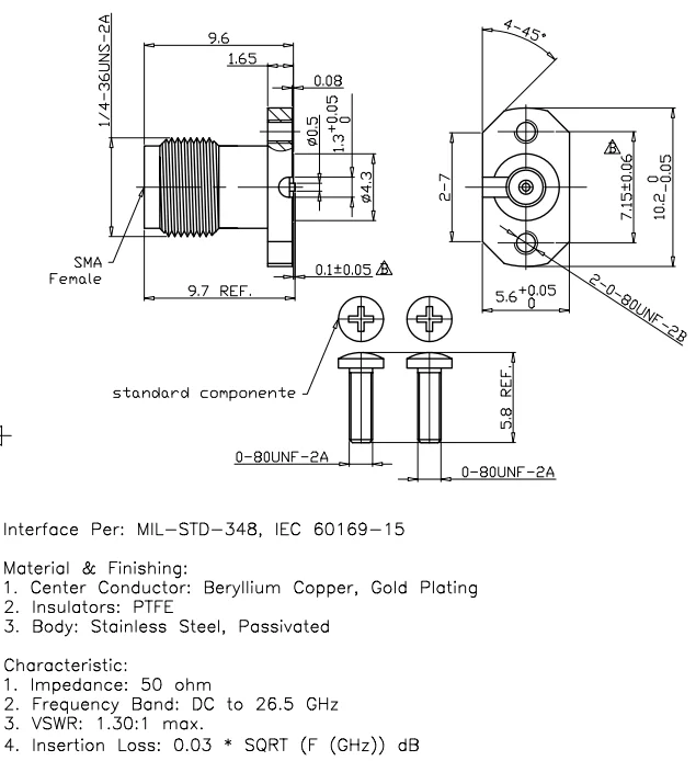
SMA 2 Holes Flange

Industrial-Grade Workhorse: SMA Female 2-Hole Flange Jack Receptacle for Reliable RF Sealing in Telecom & Control Panels (DC-26.5GHz)

Spu:
1601720112746
  • Introduction
Introduction

About Product

Highlight

High-Quality Brass Construction: Durable and reliable for long-term use.
Gold-Plated Contacts: Ensures low contact resistance and improved signal integrity.
Wide Frequency Range: Supports DC to 26.5GHz for versatile applications.
Impedance Matching: 50 ohm design for optimal signal transmission.
Dielectric Withstand Voltage: 1500V ensures high insulation performance.
Detail shotDetail shotDetail shotDetail shotSpecifications

About Us

Linkworld Microwave Communication Co., Ltd. specializes in RF coaxial connectors and microwave passive components, boasting over 15 years of R&D expertise. With a strong production capacity featuring Japanese CNC machine tools, Our products are widely used in the aeronauticaland space system, satellite system,communications field,instrumentsfield, oil exploration field and medical industry, etc. Adhered to the core values of "honesty and perfection"
Company overviewCompany overviewFactory profileCompetitive advantagesCertificates

FAQs

What about the quality of your products?

We have more than 15 years' experience in R&D for RF coaxial connectors and its components, and all products we supplied are strictly tested by our QC department before shipment.

Can you offer samples to test before placing one formal order?

Samples for test purpose can be presented free provided that you bear the shipping cost.

How long is usually your delivery time?

Our delivery time is usually within 2 weeks after we receive your order.

What is your Shipping Methods?

By Sea; By air (Shanghai port); or by UPS, DHL, FeDex, TNT etc.

Can you send a sample for us to develop?

Yes, we can. The samples can be delivered within 7-14 business days.

Can we have our logo or company name to be printed on your products or the package?

Sure. You can send us the relevant design drawings via email (in JPEG or TIFF format). Our LOGO is laser-engraved onto the product casing.

Is the MOQ fixed?

The MOQ is flexible and we accept small order in the first time as trial order.

Get a Free Quote

Name
Email
Mobile
Message
0/1000

RELATED PRODUCT