

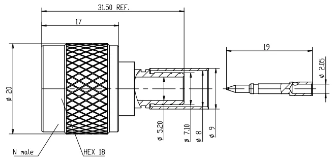
N_11_122_144_02_RevB |
|
중앙 지휘자 |
황동, 금도금 |
단열기 |
PTFE |
바디 |
황동, 3원 합금 도금 |
클링 너트 |
황동, 3원 합금 도금 |
소매 |
황동, 니켈 도금 |
씨링 |
광소금속 |
스 |
실리콘 고무 |
열 축소 튜브 |
폴리올레핀 |
임피던스 |
50오엄 |
주파수 대역 |
DC ~ 11 GHz |
VSWR |
1.2 최대 @DC~3GHz |
내전압 |
2000V |
접촉 저항 |
중심 도체 ≤1mΩ |
외부 도체 ≤1mΩ | |
절연 저항 |
≥5000MΩ |














