Összes kategória
2.92 mm Sorozat

Főoldal /  Termékek /  RF Csatlakozó /  2,92mm Sorozat

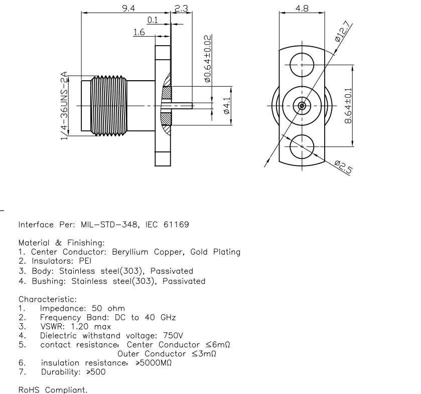
2,92 mm-es csatlakozódugó, 2 lyukas perem

Nagyteljesítményű, tömített 2,92 mm-es csatlakozódugó, 2 lyukas flanccal rögzíthető, DC–40 GHz, IP67 védettség, légi- és űrhajó-elektronikai, katonai távközlési és tengeri radarpanel-alkalmazásokhoz

Spu:
1601734317055
  • Bevezetés
Bevezetés

Termékről

Kiemelni

Magasfrekvenciás működés: DC–40 GHz frekvenciatartomány sokoldalú alkalmazásokhoz.
Tartós kivitel: Rozsdamentes acélból készült test és csavarkarima hosszú élettartamot biztosít.
Aranyozott csatlakozók: Javított vezetőképesség és megbízhatóság.
Szigetelt PEI anyag: Kiváló dielektromos tulajdonságok magas feszültségértékekhez.
Flanszos felszerelésű kialakítás: Könnyű telepítés és biztonságos csatlakozás.
Detail shotDetail shotDetail shotSpecifications

Rólunk

A Linkworld Mikrohullámú Kommunikációs Kft. specializálódott az RF koaxiális csatlakozók és mikrohullámú passzív alkatrészek gyártásában, több mint 15 évnyi kutatási és fejlesztési tapasztalattal rendelkezik. Erős gyártókapacitással, japán gyártmányú CNC gépekkel felszerelt termelőüzemmel rendelkezik. Termékeink széles körben alkalmazottak a légiközlekedési és űrkutatási rendszerekben, műholdrendszerekben, távközlési területen, műszerek gyártásában, olajkutatásban és az egészségügyi iparban stb. A vállalat a „becsületesség és tökéletesség” alapértékeihez ragaszkodik.
Company overviewCompany overviewFactory profileCompetitive advantagesCertificates

Gyakran Ismételt Kérdések

Mi a termékei minősége?

Több mint 15 éves tapasztalattal rendelkezünk az RF koaxiális csatlakozók és alkatrészeik kutatásában és fejlesztésében, és minden általunk szállított termék szigorúan tesztelésre kerül a minőségellenőrzési osztályunknál a szállítás előtt.

Lehetőséget biztosítanak próbaminták elküldésére a hivatalos megrendelés leadása előtt?

A tesztelés céljából ingyenesen elérhetők próbaminták, feltéve, hogy Ön viseli a szállítási költségeket.

Mennyi idő szokott eltelni a szállításig?

Szállítási idejünk általában 2 hét a megrendelés fogadását követően.

Milyen szállítási módszereket kínálnak?

Tengeri úton; légi úton (Sanghaj kikötő); vagy UPS, DHL, FedEx, TNT stb. szolgáltatással.

El tudnak küldeni egy mintát a fejlesztésünkhöz?

Igen, megtehetjük. A minták 7–14 munkanapon belül kiszállíthatók.

Lehet-e a mi logónkat vagy cégnevünket nyomtatni a termékeire vagy a csomagolásra?

Igen, természetesen. Küldheti nekünk az érintett terveket e-mailben (JPEG vagy TIFF formátumban). A mi LOGONKAT lézerrel gravírozzuk a termék házára.

A minimális rendelési mennyiség (MOQ) rögzített?

A minimális rendelési mennyiség rugalmas, és az első megrendelésnél próbarendelésként kis mennyiséget is elfogadunk.

Ingyenes árajánlat kérése

Név
E-mail cím
Mobil
Üzenet
0/1000

KAPCSOLÓDÓ TERMÉK