

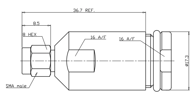
SMA_11_210_144_01_RevD |
|
Κεντρικός ηλεκτρολόγος (θύρα συμφυσώσεως ∅2.9) |
Χαλκοβούτυλο, Χρυσή Καταπίστωση (0.05μμ) |
Κεντρικός αγωγός (οπή συγκόλλησης ∅2,7) |
Χαλκοβούτυλο, Χρυσή Καταπίστωση (0.05μμ) |
Απομονωτές |
PTFE |
Σώμα |
Χάλκινο, Ρυπάνσιμο τριτογενούς σόδιου (3μμ) |
Νάτλος ζεύξης |
Χαλκοβούτυλο, Χρυσή Καταπίστωση (0.05μμ) |
Παξιμάδι |
Χάλκινο, Ρυπάνσιμο τριτογενούς σόδιου (3μμ) |
Βουσίνο |
Χάλκινο, Ρυπάνσιμο τριτογενούς σόδιου (3μμ) |
Πλυντήριο |
Χάλκινο, Ρυπάνσιμο τριτογενούς σόδιου (3μμ) |
Δαχτυλίδι |
Φωσφορικός χάλκινος |
O'ring |
Χορτοπλαστικό (μαύρο) |
Τσιμούχα |
Καουτσούκ σιλικόνης |
Σφραγίδα2 |
Χορτοπλαστικό (μαύρο) |
Αντίσταση |
50 ohm |
Ζώνη συχνοτήτων |
DC μέχρι 18 GHz |
VSWR |
1,20 μέγιστος @DC~3GHz |
Αντοχή προς διεlektrικό ηλεκτρικότητα |
1000v |
αντίσταση επαφής |
Κεντρικός διαξοδευτής ≤3mΩ |
Εξωτερικός διαφορτωτής ≤2mΩ | |
Αντίσταση μόνωσης |
≥ 5000MΩ |














