Polyolefin-Schrumpfschlauch: Gewährleistet sichere Verbindungen und Schutz.
Hochleistungs-Steckverbinder: Verringert Signalverzerrungen und verbessert die Kommunikationsqualität.
Goldbeschichtete Komponenten: Verbessern Leitfähigkeit und Haltbarkeit.
Anpassbare Optionen: Maßgeschneiderte Lösungen für verschiedene Anwendungen.
Strenge Qualitätskontrolle: Umfangreiche Tests gewährleisten zuverlässige Leistung.
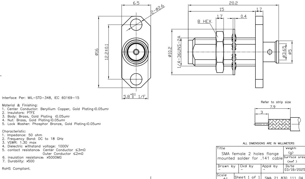
Hochleistungs-RF-Steckverbinder: Für unvergleichliche Leistung entwickelt, setzt unser RF-Steckverbinder einen neuen Standard bei Signalintegrität und Zuverlässigkeit.
Diese Komponente bietet außergewöhnliche Breitbandfähigkeit von Gleichstrom bis 6 GHz mit einem Stehwellenverhältnis (VSWR) von nur 1,3 im Bereich Gleichstrom bis 3 GHz für minimale Signalverluste.
Mit Präzision gefertigt, verfügt der Stecker über ein Messinggehäuse und einen zentralen Leiter mit Goldbeschichtung sowie PTFE-Isolatoren und einen C-Ring aus Phosphorbronze. Diese Konstruktion gewährleistet eine hervorragende elektrische Leistung – mit einem Kontaktwiderstand von ≤ 3 mΩ (zentraler Leiter) und einem Isolationswiderstand von ≥ 5000 MΩ – bei gleichzeitig hoher Robustheit und Korrosionsbeständigkeit.
Unterstützt durch eine Prüfspannung von 1000 V und geschützt durch eine Silikongummidichtung sowie einen Polyolefin-Schrumpfschlauch, ist unser Stecker für den Einsatz in den anspruchsvollsten Umgebungen konzipiert. Ob für Luft- und Raumfahrt, Telekommunikation oder industrielle Anwendungen – er bietet die Zuverlässigkeit und Leistung, auf die Sie sich verlassen können.












