All Categories
2.92mm Series

Home /  Products /  RF Connector /  2.92mm Series

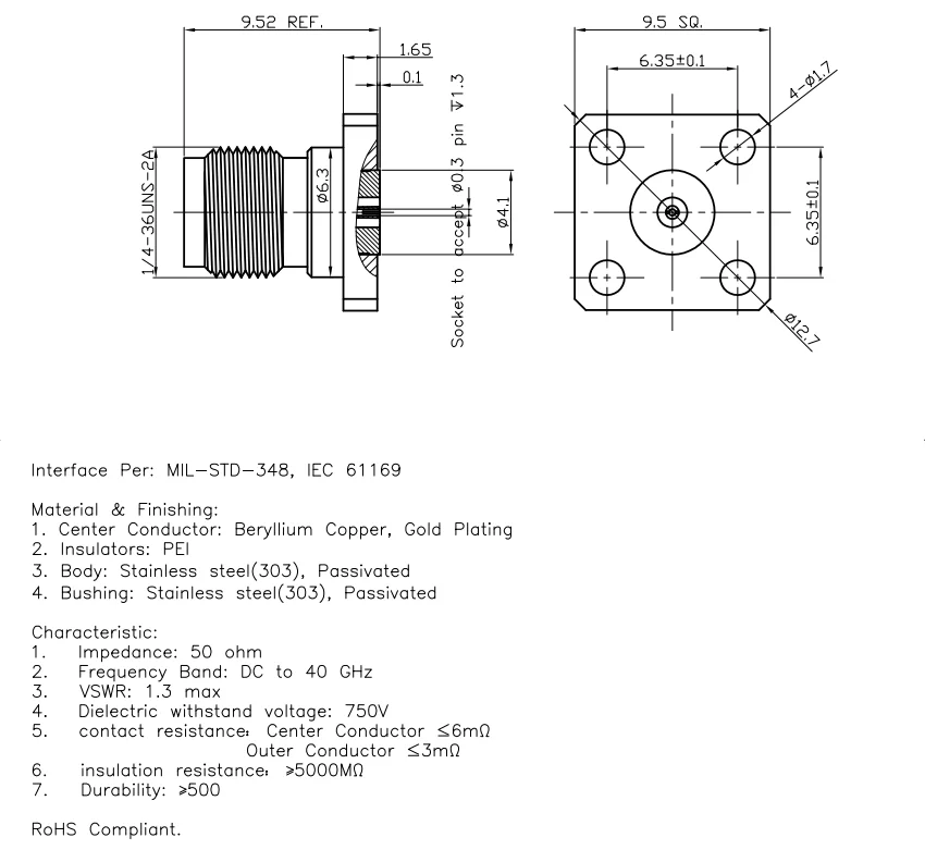
2.92mm Female 4 Holes Flange

2.92mm Female 4-Hole Flange Seal Mounted Receptacle, DC-40GHz, 50Ω, IP67-Rated, for Hermetic Sealing in High-Frequency Test & Measurement Panels

Spu:
1601734277970
  • Introduction
Introduction

About Product

Highlight

High Frequency Operation: DC to 40 GHz frequency range for versatile applications.
Durable Construction: Stainless steel body and bushing for long-lasting use.
Gold Plated Connectors: Enhanced conductivity and reliability.
Insulated PEI: Excellent dielectric properties for high voltage ratings.
Flange Mounted Design: Easy installation and secure connection.
Detail shotDetail shotDetail shotSpecifications

About Us

Linkworld Microwave Communication Co., Ltd. specializes in RF coaxial connectors and microwave passive components, boasting over 15 years of R&D expertise. With a strong production capacity featuring Japanese CNC machine tools, Our products are widely used in the aeronauticaland space system, satellite system,communications field,instrumentsfield, oil exploration field and medical industry, etc. Adhered to the core values of "honesty and perfection"
Company overviewCompany overviewFactory profileCompetitive advantagesCertificates

FAQs

What about the quality of your products?

We have more than 15 years' experience in R&D for RF coaxial connectors and its components, and all products we supplied are strictly tested by our QC department before shipment.

Can you offer samples to test before placing one formal order?

Samples for test purpose can be presented free provided that you bear the shipping cost.

How long is usually your delivery time?

Our delivery time is usually within 2 weeks after we receive your order.

What is your Shipping Methods?

By Sea; By air (Shanghai port); or by UPS, DHL, FeDex, TNT etc.

Can you send a sample for us to develop?

Yes, we can. The samples can be delivered within 7-14 business days.

Can we have our logo or company name to be printed on your products or the package?

Sure. You can send us the relevant design drawings via email (in JPEG or TIFF format). Our LOGO is laser-engraved onto the product casing.

Is the MOQ fixed?

The MOQ is flexible and we accept small order in the first time as trial order.

Get a Free Quote

Name
Email
Mobile
Message
0/1000

RELATED PRODUCT